YJF型高壓截止閥
圖形符號.jpg)
YJF型高壓截止閥型號說明
① 產品代號:YJF高壓截止閥
② 連接形式:L-管式、F-法蘭式、B-板式
③ 公稱通徑:10、15、20、25、32、40、50mm
④ 壓力等級:H-32MPa
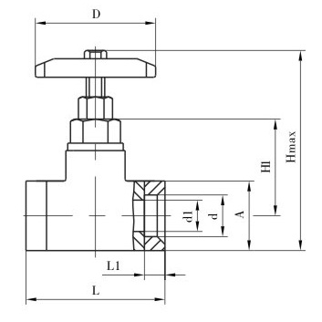
YJF型高壓截止閥外形尺寸

型號
|
Hmax
|
h
|
L
|
D
|
d
|
M
|
YJF-L10H
|
116.5
|
74
|
90
|
Ф100
|
□42
|
M18×1.5
|
YJF-L15H
|
116.5
|
74
|
90
|
Ф100
|
□42
|
M22×1.5
|
YJF-L20H
|
202
|
100
|
120
|
Ф120
|
Ф60
|
M27×2
|
YJF-L25H
|
220
|
93
|
135
|
Ф120
|
Ф70
|
M33×2
|
YJF-L32H
|
241
|
113
|
150
|
Ф160
|
Ф70
|
M42×2
|

型號
|
Hmax
|
H1
|
L
|
L1
|
d1
|
d
|
D
|
A×A
|
YJF-F10H
|
162.5
|
74
|
120
|
10
|
Ф12.5
|
Ф18.5
|
100
|
54×54
|
YJF-F15H
|
181.5
|
82
|
132
|
11
|
Ф16
|
Ф22.5
|
120
|
54×54
|
YJF-F20H
|
202
|
100
|
140
|
12
|
Ф20
|
Ф28.5
|
120
|
58×58
|
YJF-F25H
|
220
|
93
|
185
|
13
|
Ф25
|
Ф34.5
|
120
|
68×68
|
YJF-F32H
|
241
|
113
|
204
|
16
|
Ф32
|
Ф43.5
|
160
|
76×76
|
YJF-F40H
|
280
|
120
|
230
|
18
|
Ф38
|
Ф51
|
180
|
92×92
|
YJF-F50H
|
318.5
|
138
|
245
|
20
|
Ф48
|
Ф61
|
200
|
100×100
|

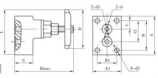
型號
|
Hmax
|
L
|
D
|
h
|
A
|
A1
|
B
|
B1
|
C
|
C1
|
d
|
d1
|
d2
|
YJF-FB10H
|
113
|
106.5
|
Ф100
|
40
|
85
|
70
|
65
|
50
|
18.5
|
46.5
|
Ф22
|
Ф10
|
Ф11
|
YJF-FB20H
|
197
|
130
|
Ф120
|
70
|
113
|
97
|
81
|
65
|
22.2
|
68.5
|
Ф35
|
Ф20
|
Ф17
|
YJF-FB25H
|
225
|
135
|
Ф120
|
75
|
117
|
112
|
85
|
85
|
24
|
72
|
Ф40
|
Ф25
|
Ф17
|
YJF-FB32H
|
246
|
160
|
Ф160
|
80
|
127
|
127
|
92
|
92
|
20.6
|
71.4
|
Ф45
|
Ф30
|
Ф21
|