YJZQ高壓球閥
圖形符號 
技術參數
公稱壓力:31.5MPa
適用介質:液壓油

內螺紋連接
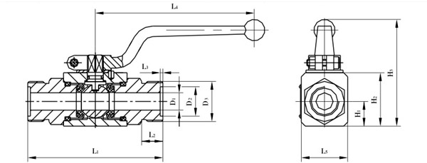
型號
|
D1
|
D2
|
L1
|
L2
|
L3
|
L4
|
H1
|
H2
|
H3
|
YJZQ-J10N
|
Ф10
|
M18×1.5
|
78
|
14
|
105
|
32
|
16
|
36
|
76
|
YJZQ-J15N
|
Ф15
|
M22×1.5
|
86
|
16
|
147
|
38
|
19
|
45
|
80
|
YJZQ-J20N
|
Ф20
|
M27×2
|
108
|
18
|
185
|
48
|
25
|
55
|
101
|
YJZQ-J25N
|
Ф25
|
M33×2
|
116
|
20
|
185
|
57
|
28.5
|
64
|
111
|
YJZQ-J32N
|
Ф32
|
M42×2
|
136
|
22
|
240
|
75
|
37.5
|
84
|
134
|
YJZQ-J40N
|
Ф40
|
M48×2
|
148
|
24
|
240
|
85
|
42.5
|
95
|
165
|
YJZQ-J50N
|
Ф50
|
M64×2
|
180
|
26
|
240
|
104
|
52
|
112.5
|
180
|
.jpg)
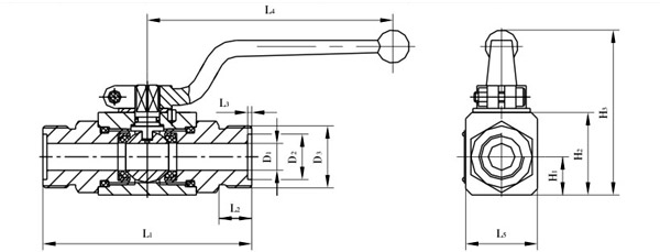
型號
|
D1
|
D2
|
D3
|
L1
|
L2
|
L3
|
L4
|
L5
|
H1
|
H2
|
H3
|
YJZQ-J10W
|
Ф10
|
Ф20
|
M27×1.5
|
94
|
16
|
2
|
105
|
32
|
16
|
36
|
76
|
YJZQ-J15W
|
Ф15
|
Ф22
|
M30×1.5
|
102
|
16
|
2
|
147
|
38
|
19
|
45
|
80
|
YJZQ-J20W
|
Ф20
|
Ф28
|
M36×2
|
124
|
18
|
2.5
|
185
|
48
|
25
|
55
|
101
|
YJZQ-J25W
|
Ф25
|
Ф35
|
M42×2
|
136
|
20
|
2.5
|
185
|
57
|
28.5
|
64
|
111
|
YJZQ-J32W
|
Ф32
|
Ф40
|
M52×2
|
150
|
20
|
2.5
|
240
|
75
|
37.5
|
84
|
134
|
YJZQ-J40W
|
Ф40
|
Ф50
|
M64×2
|
180
|
24
|
2.5
|
240
|
85
|
42.5
|
95
|
165
|
YJZQ-J50W
|
Ф50
|
Ф60
|
M72×2
|
210
|
26
|
2.5
|
240
|
104
|
52
|
112.5
|
180
|